1
/
de
3
Smith Bearing/BDI Red Deer
Roulement suiveur de rouleau à came (PlasmaCam)
Roulement suiveur de rouleau à came (PlasmaCam)
Prix habituel
$24.99 CAD
Prix habituel
Prix promotionnel
$24.99 CAD
Prix unitaire
/
par
Impossible de charger la disponibilité du service de retrait
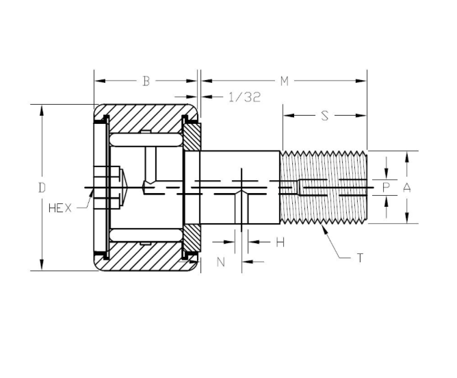
SUIVEUR DE CAME À ROULEAU SCELLÉ 1/2"
Des roulements à rouleaux sont montés sur le chariot et le portique pour les guider lors de leur déplacement. Remplacez-le s'il est cassé ou usé (commence à grincer lors du roulement). 11 rouleaux au total, il est recommandé de remplacer les 11 rouleaux de la machine en même temps.
Partager


